球形喷口
球形喷口
球形喷射咀主要用于大空间空调送风系统中,如:机场、剧院、育场、各类大厅等。因其送风距离远,燥音小、喷嘴调节灵活等诸多特点。广泛应用于中央空调系统中。同时,因其射流的第三区域相对较长,也经常被用于玻璃幕墙的防雾防结露系统中。感温执行机构无需电源,具有节能、环保、免维护、性能稳定、短能化等优点。

产品特征
1、送风距离远、噪声小的等特点。
2、主要用于高大空间侧送风系统,用户可根据不同需要选用不同规格以达到所需射程与射流末端轴心速度和射流平均速度。
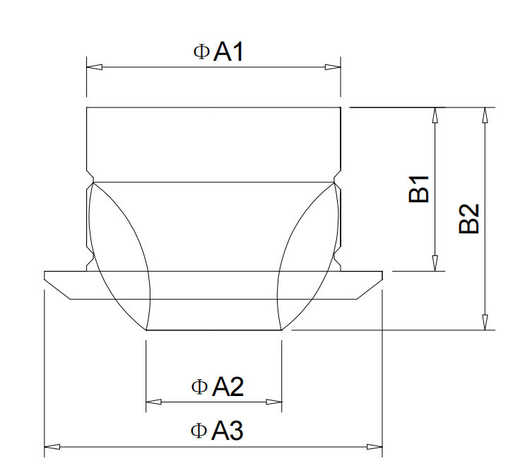
产品简图

产品尺寸


